


Осевой вентилятор YWF(K)4D500-ZF
Описание
Характеристики
Информация для заказа
Вентилятор осевой промышленный YWF(K)4D500-ZF
Вентилятор YWF(K)4E200-ZF имеют электродвигатели с внешним ротором. Вентиляторы оснащены крыльчаткой с серповидными лопастями, которая имеет динамическую балансировку в двух плоскостях для достижения минимального уровня шума.
Вентиляторы данной серии легко монтируются в стеновые проемы или другие несущие конструкции. Могут использоваться для отвода тепла или обдува различных технологических установок и оборудования.
• Встроенные термоконтакты для защиты двигателя от перегревания
• Подшипники ротора не требуют обслуживания
• Лопатки, решётка и ротор защищены чёрным лаковым покрытием
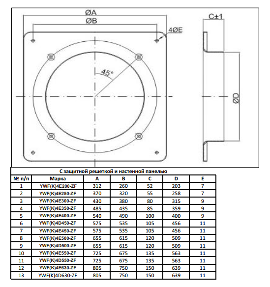
ГАБАРИТНЫЕ РАЗМЕРЫ YWF(K)4E200-ZF

| Основные | |
|---|---|
| Потребляемая мощность | 0.45 кВт |
| Напряжение сети | 380~400 В |
| Частота тока | 50 Гц |
| Степень защиты IP | 44 |
| Уровень шума | 72 дБ |
| Максимальная температура окружающей среды | 40 град. |
| Минимальная температура окружающей среды | -25 град. |
| Максимальное рабочее давление | 160 Па |
| Производительность | 7000 куб. м/час |
| Тип конструкции промышленного вентилятора | Осевой(Аксиальный) |
| Частота вращения | 1320 об/мин |
| Габаритные размеры | |
| Ширина | 120 мм |
| Длина | 655 мм |
| Высота | 655 мм |
- Цена: 1 ₸
